О компанииНовостиНовые функции блока С2000-СП1 исп.01
Рекомендации по построению систем пожарной автоматики в соответствии с СП 484.1311500.2020 изм.1
Автоматизация проектирования BolidCAD
Оборудование Болид в Едином реестре российской радиоэлектронной продукции
Приглашаем принять участие в опросе

Новые функции блока С2000-СП1 исп.01

29 ноября 2011

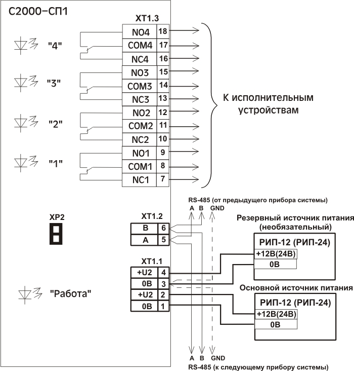
Выпущена новая версия 1.55 блока С2000-СП1 исп.01, которая в отличие от предыдущей версии 1.30 имеет новые дополнительные функции.

Выпущена новая версия 1.55 блока <a href="/production/orion/relay-unit/s2000-sp1.html"><b>С2000-СП1 исп.01</b></a>, которая в отличие от предыдущей версии 1.30 имеет новые дополнительные функции.
Версия 1.55 включает:
  • второй ввод питания устройства
  • функцию измерения напряжения питания блока
  • поддержана выдача сообщений: "Включение/выключение реле", "Ручной тест"
  • увеличено количество хранимых в энергонезависимой памяти событий
  • функцию обновления версий программного обеспечения устройства по интерфейсу RS-485.
Технические характеристики:
  • Количество выходов - 4 релейных выхода с переключаемыми контактами
  • Напряжение питания - 10 В ... 28 В
  • Потребляемый ток прибором, не более
    • "С2000-СП1" - 140 мА
    • "С2000-СП1" исп.01 - 300 мА
  • Максимальная коммутируемая мощность каждого реле
    • "С2000-СП1" - 30 ВА
    • "С2000-СП1" исп.01 - 2500 ВА
  • Максимальное коммутируемое напряжение
    • "С2000-СП1" - 100 В
    • "С2000-СП1" исп.01 - ~280 В, =125 В
  • Максимальный коммутируемый ток одного канала
    • "С2000-СП1" - 2 А
    • "С2000-СП1" исп.01 - 10 А
  • Рабочий диапазон температур - от минус 30 до +55 °С
  • Габаритные размеры - 150 х 103 х 35 мм

Схема электрическая подключения релейного блока при эксплуатации