Проекты и решенияВнедренные проектывыделенные помещения 1-го этажа
Рекомендации по построению систем пожарной автоматики в соответствии с СП 484.1311500.2020 изм.1
Автоматизация проектирования BolidCAD
Оборудование Болид в Едином реестре российской радиоэлектронной продукции
Приглашаем принять участие в опросе

выделенные помещения 1-го этажа

выделенные помещения 1-го этажа

Исполнитель:
ООО "ЭкспертСтройИнжиниринг"

Выполненные работы по проекту:
  • разработка проекта
  • монтаж, пусконаладка
  • эксплуатация, обслуживание
Административно-торговые помещения
Адрес объекта: Россия, Омская обл, г Омск, ул.5-Северная, 201

Тип объекта: Административное учреждение

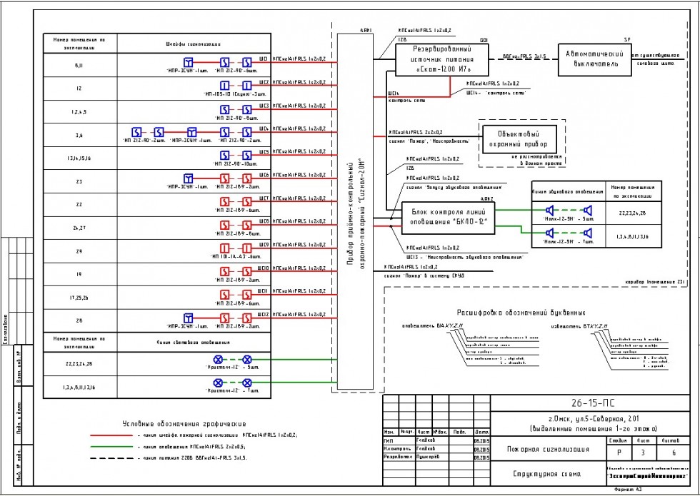
Система пожарная сигнализация в выделенных помещениях 1-го этажа смонтирована по проекту "26-15-ПС" на приборе приёмно-контрольный охранно-пожарный "Сигнал-20М".
Система пожарная сигнализация формирует управляющие и информационные сигналы в систему вентиляции. Так же осуществлена передача сигнала "Пожар" и "Неисправность" на пульт ПЦН. Так же при сигнале "Пожар" происходит разблокировка дверей, оснащённых СКУДом.

Для реализации проекта была использована следующая продукция

Пожарная сигнализация
АРМ
шт.
Сетевой контроллер
шт.
Прибор
шт.
Извещатель
шт.
Повторитель, преобразователь интерфейса
шт.
Прочее
шт.
1
Итого:
1

Оповещение о пожаре
АРМ
шт.
Сетевой контроллер
шт.
Прибор
шт.
Извещатель
шт.
Повторитель, преобразователь интерфейса
шт.
Прочее
шт.
1
Итого:
1