Проекты и решенияВнедренные проектыМагазин товаров первой необходимости
Рекомендации по построению систем пожарной автоматики в соответствии с СП 484.1311500.2020 изм.1
Автоматизация проектирования BolidCAD
Оборудование Болид в Едином реестре российской радиоэлектронной продукции
Приглашаем принять участие в опросе

Магазин товаров первой необходимости

Магазин товаров первой необходимости

Исполнитель:
ООО "ЭкспертСтройИнжиниринг"

Выполненные работы по проекту:
  • разработка проекта
  • монтаж, пусконаладка
  • эксплуатация, обслуживание
Торгово-складское здание
Адрес объекта: Россия, Омская обл, г Омск, ул.22 Декабря, д.102, кор.4

Тип объекта: Объект торговли (Супермаркет, магазин)

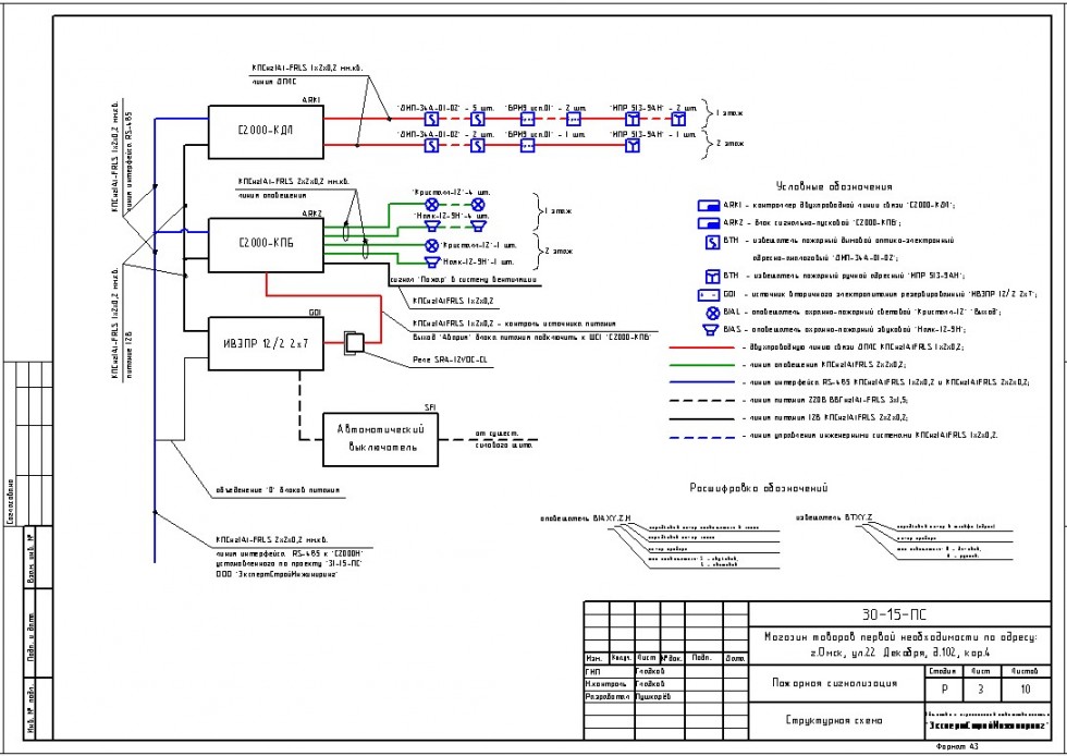
Пожарная сигнализация в магазине товаров первой необходимости смонтирована по проекту "30-15-ПС" на основе адресно-аналоговой подсистеме «С2000-КДЛ». Контроль состояния и управление системой производится с центрального поста охраны. Система пожарная сигнализация формирует управляющие и информационные сигналы в систему вентиляции.

Для реализации проекта была использована следующая продукция

Пожарная сигнализация
АРМ
шт.
Сетевой контроллер
шт.
Прибор
шт.
Извещатель
шт.
Повторитель, преобразователь интерфейса
шт.
Прочее
шт.
1
1
1
1
3
ДИП-34А
7
3
Итого:
1
3
13

Оповещение о пожаре
АРМ
шт.
Сетевой контроллер
шт.
Прибор
шт.
Извещатель
шт.
Повторитель, преобразователь интерфейса
шт.
Прочее
шт.
1
1
Итого:
1
1