Частная школа — негосударственное учебное заведение начального или среднего образования (школа), средства на содержание которого окупаются полностью или частично за счёт платы, взимаемой с учащихся
Адрес объекта: Россия, Омская обл, ул.Ватутина, 11
Тип объекта: Образовательное учреждение (Школы, детские сады, институты, университеты.)
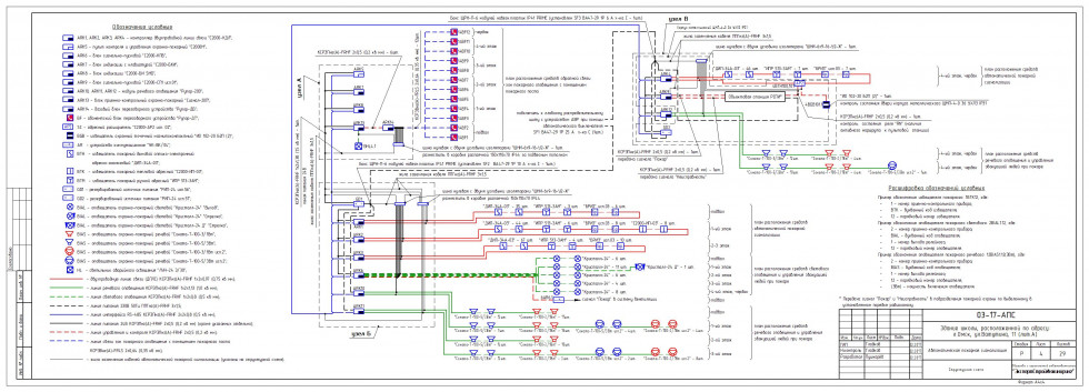
Выполнен проект автоматической пожарной сигнализации на основе адресно-аналоговой подсистеме "С2000-КДЛ", а так же система оповещения и управления эвакуацией людей при пожаре 4-го типа на основе "Рупор-Диспетчер".
Сигнал "Пожар" и "Неисправность" предаётся на пульт пожарной охраны комплексом СПИ "Стрелец-мониторинг".
Система пожарная сигнализация формирует управляющие в систему вентиляции.
Контроль состояния и управление системой производится с центрального поста охраны.
Для реализации проекта была использована следующая продукция
| Пожарная сигнализация |
|---|
АРМ шт. | Сетевой контроллер шт. | Прибор шт. | Извещатель шт. | Повторитель, преобразователь интерфейса шт. | Прочее шт. |
|---|
| 1 | 1 2 1 1 4 1 1 1 | 10 200 1 20 32 | | |
| Итого: | 1 | 12 | 263 | | |
| Оповещение о пожаре |
|---|
АРМ шт. | Сетевой контроллер шт. | Прибор шт. | Извещатель шт. | Повторитель, преобразователь интерфейса шт. | Прочее шт. |
|---|
| 1 | 1 1 1 12 1 | | | |
| Итого: | 1 | 16 | | | |
| Охранная сигнализация |
|---|
АРМ шт. | Сетевой контроллер шт. | Прибор шт. | Извещатель шт. | Повторитель, преобразователь интерфейса шт. | Прочее шт. |
|---|
| 1 | 1 | 1 | | |
| Итого: | 1 | 1 | 1 | | |