ПоддержкаСтатьи и презентацииКонвергентная аппаратно-программная платформа автоматизации инженерного оборудования зданий
Рекомендации по построению систем пожарной автоматики в соответствии с СП 484.1311500.2020 изм.1
Автоматизация проектирования BolidCAD
Оборудование Болид в Едином реестре российской радиоэлектронной продукции
Приглашаем принять участие в опросе

Конвергентная аппаратно-программная платформа автоматизации инженерного оборудования зданий

Автор статьи: Владимир Максименко
Эксперт сектора обучения и информационной поддержки

Энергосбережение & Здоровые здания, №1 2021

PDF версия (928,06 Кб)

Тема автоматизированных систем управления зданиями (АСУЗ), стала особенно популярной в конце ХХ, начале XXI веков. Так специалистами НП АВОК был разработан отраслевой стандарт "Системы автоматизации и управления зданиями. Часть 2. Основные положения. Аппаратные средства", в котором приводится модель общей системы для сети АСУЗ, к которой можно привести АСУЗ всех типов и их объединения. Благодаря достижениям последнего времени эта модель приобрела новые качества, в частности, за счёт взаимного проникновения или конвергенции систем автоматизации зданий и систем безопасности с активным использованием IT технологий.

В соответствии с оценками ведущих экспертов в области АСУЗ "мировым трендом сегодня является когнитивность конвергентных систем". Кроме того, для современных проектов характерно комплексное использование для управления в АСУЗ таких современных технологий, как IoТ, Big Data и облачные технологии. Такие решения, часто включающие превентивное управление на базе элементов искусственного интеллекта, позволяют поднять планку комфорта и безопасности АСУЗ на принципиально новый уровень.

Конвергенция (сonvergeence, англ. – схождение в одной точке) - это возможность предоставлять комплексные услуги на основе нескольких различных технологических решений. Задача предполагает создание устройства (платформы), которое сможет решать практически все необходимые пользователю задачи. Так при создании умного дома целью конвергенции является превращение цифрового устройства (например компьютера) в центр управления и контроля всеми бытовыми и развлекательными приборами, системами безопасности и разнообразными коммуникациями.

Для более точной постановки задач, реализуемых АСУЗ в конкретных проектах, используется подход формирования требований групп пользователей этих проектов. Общая структура АСУЗ при этом полностью соответствует той, которая приведена в ISO 16 484-2.

Результатом конвергенции систем безопасности и систем автоматизации зданий в нашей компании стало создание линейки приборов и программного обеспечения (ПО), разработанных на основании многолетнего опыта и реализующих на современном уровне структуру внутренних связей АСУЗ (рис. 1). При этом и приборы и ПО, по сути, представляют собой аппаратно-программную платформу (далее – платформу), позволяющую решать вопросы комфорта, безопасности и энергоэффективности с возможностью масштабирования и организации территориально-распределенных задач. Реализация конвергентных функций систем безопасности и автоматизации зданий обеспечивается использованием проверенных аппаратных решений и современных алгоритмов управления.

Типовые модули платформы, как правило, допускают использование автономных законченных решений. При этом особенностью платформы является возможность построения законченной системы из типовых модулей путём тиражирования и масштабирования.

Рис.1. Структура внутренних связей АСУЗ

Комитет НП "АВОК"

В НП "АВОК" в 2002 году был создан комитет "Интеллектуальные здания и информационно – управляющие системы", который принял активное участие в разработке нормативных документов в области АСУЗ, отвечающих требованиям отечественной нормативной базы и несущих новое содержание международных документов. Отталкиваясь от структуры, заложенной в ГОСТ 34, на основе содержательной части стандарта ISO 16 484 комитетом были разработаны три части отечественного отраслевого стандарта АВОК 5-2004 "Системы автоматизации и управления зданиями" и трёхъязычный словарь терминов к данному стандарту.

Рис.2. Структура универсальной аппаратно-программной платформы АСУЗ

Автономные законченные решения могут быть объединены в сложные комплексы на любом этапе проектирования и эксплуатации.

Типовые модули платформы

Аппаратно-программная платформа решает такие задачи, как сбор и обработка данных от устройств полевого уровня, визуализация обработанной информации и обеспечение работы системы с локальными и удаленными пользовательскими интерфейсами, включая мобильные. В соответствии со структурой платформы (рис.2) в качестве модулей полевого уровня используются контроллер двухпроводной линии С2000-КЛД-ModBus, контроллер технологический С2000-Т и Модуль ввода – вывода М2000-4ДА.

На двухпроводную линию С2000-КЛД-ModBus можно подключать до 127 адресуемых устройств (датчиков и исполнительных устройств). При этом контроллер может работать в автономном режиме, реализуя ряд несложных логических алгоритмов. Контроллер технологический С2000-Т - полноценный контроллер с предустановленными алгоритмами управления системам отопления, горячего водоснабжения, вентиляции и кондиционирования с использованием ПИД-регуляции, каскадного регулирования, а также с возможностью формирования оригинальных алгоритмов управления оборудованием с использованием встроенного блока условий.

М3000-ВВ-0010– поддерживает обмен данными в сети RS-485по протоколу Modbus как ведомое устройство и позволяет управлять имеющимися в его составе 20-ю реле, коммутируя напряжение ~250 В 50 Гц и cos φ > 0,6 4 А. Позволяет управлять выходами с помощью ШИМ, при этом задавая период и коэффициент заполнения в широких пределах (максимальный период импульса 24 часа, минимальный 0,5 с).

М3000-ВВ-1020 – модуль из 6 перекидных реле с возможностью контроля состояния, управляемых по протоколу ModBus RTU.

С2000-ВТИ, С2000-ВТИ исп.01, С2000Р-ВТИ, С2000Р-ВТИ исп.01, М2000-ВТИ - термогигрометры с индикацией. Имеют встроенный ЖКИ, обеспечивают измерение температуры и относительной влажности воздуха и измерение концентрации угарного газа.

Ядро платформы

Ядром платформы является модуль уровня аппаратного управления на базе контроллера М3000-Т с ОС LINUX.

Контроллер поддерживает все языки программирования, указанные в МЭК 61131-3. В качестве среды разработки и исполнения используется MasterSCADA 4D компании Инсат. В зависимости от решаемых задач наряду с MasterSCADA 4D могут использоваться также другие SCADA системы, например КРУГ-2000, или Интеграционная платформа для Интернета вещей AggreGate. Соответствующие испытания успешно прошли в 2019 году. На борту контроллера находятся 4 интерфейса RS-485 ModBus RTU и интерфейс Ethernet. Благодаря наличию этих интерфейсов в соответствии с приведённой на рис.2 структурой АСУЗ обеспечивается подключение периферийных устройств по протоколу ModBus RTU для сбора данных с датчиков и управления исполнительными устройствами. При этом могут использоваться как устройства, производимые НВП «БОЛИД, так и широкий спектр оборудования ModBus RTU сторонних производителей. Использование преобразователя интерфейса С2000-ПП позволяет получать информации о состоянии установленного на объекте оборудования безопасности. При использовании MasterSCADA 4D может быть организован удалённый доступ к платформе с использованием интерфейса Ethernet контролера через любой интернет – браузер (за исключением Internet Explorer).

Познакомившись с типовыми модулями и ядром аппаратно-программной платформы автоматизации инженерного оборудования здания, перейдем к рассмотрению общей структуры платформы и рассмотрим конкретные примеры по реализации задач управления и контроля офисными зданиями на базе этой платформы.

Структура платформы

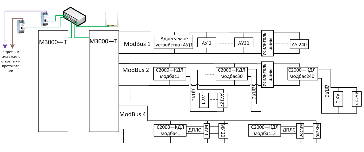
Рис.3. Общая структура системы

Общая структура системы отражает ограничения, накладываемые спецификацией протокола ModBus. На рис.3 представлены 3 основные варианта реализации системы на базе линейки приборов М3000-Т. Контроллер М3000-Т имеет в своём составе четыре канала для подключения шины ModBus. Первый вариант подключения к шине, обозначенный как ModBus 1 показывает шинное подключение адресуемых устройств к шине ModBus. При этом максимальное количество подключаемых к шине адресуемых устройств в нашем случае составляет 240. Теоретически на такой шине можно адресовать до 255 адресов. На практике обычно ограничиваются 247 адресами, что, в принципе возможно и в нашем случае. Вторая важная особенность этой шины заключается в рекомендациях ряда производителей использовать шинные усилители не реже, чем после каждого 31 устройства.

Канал ModBus 2 иллюстрирует вариант подключения к контроллеру М3000-Т в качестве адресуемых устройств приборов С2000-КЛД-ModBus. В данном случае эти приборы подключаются к шине ModBus RTU, поэтому их количество теоретически составляет до 240 приборов, а к каждому из них на двухпроводную линию связи (ДПЛС) можно подключить до 127 адресуемых устройств. При этом приборы, подключённые к ДПЛС получают от неё питание. При использовании такого подключения следует учитывать, что время обработки контроллером одного прибора С2000-КДЛ-ModBus при подключении около 100 адресуемых устройств на его ДПЛС может составить до 100 миллисекунд.

Канал ModBus 4 отличается от предыдущего варианта тем, что в данном случае к каналу ModBus подключаются как приборы С2000-КЛД-ModBus, так и модули, использующие для обработки информации из управляемого помещения такие приборы, как С2000-Т, М2000-4ДА, М3000-ВВ-0010 и М3000-ВВ-1020. В корпусе модуля могут быть собраны приборы, необходимые для получения и обработки информации из конкретного помещения. Кроме того, подключённая к каждому модулю ДПЛС от прибора С2000-КЛД-ModBus позволяет при необходимости использовать в зоне расположения модуля адресуемые устройства ДПЛС.

Необходимо также отметить временные особенности работы шины ModBus: для опроса 10-ти переменных из 4-х Ведомых со скоростью 19200 бит/с необходимо затратить примерно 206 мс. Если необходим периодический опрос, желательно зарезервировать определенное время, например, еще дополнительно 100 мс.

Интерфейс Ethernet позволяет подключать контроллеры М3000-Т, аппаратные IP шлюзы открытых протоколов, таких как KNX, LON, BACNet, Wi-Fi роутеры и другое аналогичное оборудование.

Реализация управления и контроля состояния помещения офисного комплекса

Компоновка модуля управления и контроля состояния помещения офисного комплекса может представлять собой законченное локальное решение для управления включения нагрузок отдельного помещения с помощью карточного выключателя, установленного при входе. В качестве нагрузок в данном примере выступают освещение, розетки, кондиционер. Управление осуществляется с помощью логики прибора С2000-КЛД-ModBus, позволяющей включать и отключать кондиционер по датчику температуры, при открытии окон, включать свет при наличии людей в помещении по датчику движения. Модуль допускает установку в него дополнительных реле, например для включения увлажнителя по датчику влажности или для подачи тревожного сигнала секретарю с помощью тревожной кнопки и т.п. Модуль может монтироваться в компактном пластиковом или металлическом боксе с двумя DIN рейками.

Реализация управления и контроля состояния помещений офисного комплекса с отображением на мобильных устройствах

Рис.4. Компоновка модуля помещений офисного комплекса с отображением на мобильных устройствах

Модуль имеет интерфейсный выход по протоколу ModBus RTU, что позволяет использовать один или несколько таких модулей при решении управления и контроля состояния помещений офисного комплекса с отображением на мобильных устройствах

Как видно (рис.4) реализация данного решения представляет собой набор из двух модулей, рассмотренных в предыдущем примере. Под конкретную задачу такие модули допускают соответствующую доработку с целью полноценной реализации необходимого функционала. Кроме того в решении присутствует рассмотренный ранее модуль на контроллере М3000-Т – ядро платформы. На борту этого контроллера находится предустановленная SCADA система MasterSCADA -4D компании Инсат. Эта SCADA система получает информацию с ModBus каналов контроллера от подключённых модулей, обрабатывает её и обеспечивает визуализацию этой информации и выдачу её на мобильные средства пользователей системы в соответствии с присвоенными им правами доступа. Выдача осуществляется по каналу Ethernet и может транслироваться через WiFi роутер. Функционально решение поддерживает все возможности SCADA системы в части обработки и отображения поступающей на контролер информации от периферийных модулей. В соответствии с представленной на рис.6 структурой решение может поддерживать число различных модулей, в том числе приведённых в разделе «Типовые модули платформы», необходимое для сбора данных с достаточно большого объёма инженерного оборудования контролируемого объекта.

Реализация управления и контроля состояния помещений территориально распределенных офисных комплексов с функциями формирования произвольных отчётов и превентивного управления

В соответствии со структурой, приведённой на рис.3, решение на базе платформы может использовать несколько модулей с контроллерами М3000-Т, каждый из которых может иметь свой набор периферийных модулей, что обеспечивает большую гибкость решения. При этом для связи между контроллерами М3000-Т могут использоваться IP каналы связи, обеспечивающие практически неограниченную удалённость контроллеров друг от друга. Это позволяет реализовывать территориально разнесённые решения. В этом случае для обеспечения взаимодействия между контроллерами и обработки существенно больших объёмов информации, генерируемых системой, могут применяться такие программные средства, как интеграционные платформы для интернета вещей.

Возможности аппаратно-программной платформы управления инженерным оборудованием зданий

    Таким образом, рассматриваемая аппаратно-программная платформа управления инженерным оборудованием зданий обеспечивает:
  • соответствие структуры требованиям ISO 16 484;
  • оперативное построение практического решения из разработанных модулей, включающих базовое ПО, начиная от локальных автономных решений с возможностью поэтапного расширения до территориально распределённых решений;
  • возможность развёртывания на базовом контроллере SCADA систем и программных платформ интернета вещей в зависимости от потребностей заказчика и решаемых задач;
  • возможность использования в качестве периферийного оборудования любого ModBus-RTU оборудования, а также оборудования ранее установленных на объектах систем ОПС НВП "Болид";
  • возможность вывода информации на любые удалённые средства отображения через web браузер;
  • оптимизацию обслуживания системы за счёт использования типовых решений и оборудования;
  • конкурентное соотношение цена / качество предлагаемого решения;
  • возможность модернизации и расширения реализованных решений с минимальными затратами средств и времени.