Монтажные и пусконаладочные работы системы пожарной сигнализации и системы оповещения, системы пожаротушения
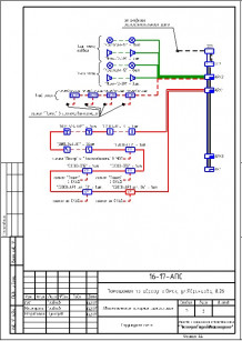
Исполнитель:Система порошкового пожара тушения на базе оборудования Bolid. Архив
Исполнитель:ООО «ЕвроХим-Усольский калийный комбинат» является крупнейшим производителем минеральных удобрений в России и входит в тройку крупнейших европейских и десятку крупнейших мировых компаний отрасли
Исполнитель:Оснащение системами порошкового пожаротушения 8-ми складских помещений.
Исполнитель:Группа предприятий торговли, управляемых как единое целое и находящихся в одном здании или комплексе зданий
Исполнитель:Это место, где познание мира и развитие у детей раннего и дошкольного возраста проходят в форме веселых игр
Исполнитель:Оснащение системами АГПТ и ПС на безе оборудования BOLID, контейнера ДГУ и БАК, с учетом интеграции в SCADA систему заказчика. Работа ПКП Bolid с взрывозащищенным оборудованием "Компания СМД" и "СПЕЦ ПРИБОР"
Исполнитель:Проектирование и монтаж систем АГПТ в филиалах г. Талдыкорган, г. Актау
Исполнитель:Оснащение системами АГПТ помещение архива, с интеграцией в существующую систему заказчика.
Исполнитель:Пятиподъездный дом Собран на Сигнал 20П и С2000М
Исполнитель: